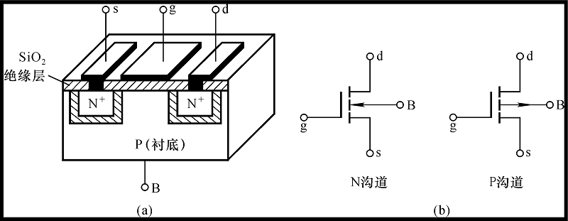
平面MOS
MOS,是MOSFET的缩写。MOSFET金属-氧化物半导体场效应晶体管((Metal-Oxide-Semiconductor Field-Effect Transistor),简称场效晶体管 场效应管是电压控制型器件,有三个电极:栅极、漏极、源极。在电路中起放大及无触点开关等作用。
场效应管分为PMOS管(P沟道型)和NMOS(N沟道型)管,属于绝缘栅场效应管。

平面工艺是在Si半导体芯片上通过氧化、光刻、扩散、离子注入等一系列流程,制作出晶体管和集成电路;器件和电路都是在芯片表面一层附近处,整个芯片基本上保持是平坦的(实际上,表面上存在许多台阶);制作出的晶体管称为平面晶体管(相对于台面晶体管而言),故称相应的制作工艺为平面工艺,特点是芯片面积大,雪崩能力强。
越加红提供击穿电压等级范围为200V至800V的N沟道和P沟道平面工艺系列功率MOSFET,产品封装包括TO-251、TO-252、TO-263、TO-262、TO-220、TO-220F、TO-247
